Rf Linear Amplifier Schematics

Posted on 03 Dec 2023

Amplifier mhz linear vhf rf 20w schematic 20w fm rf amplifier circuit Amplifier fm 20w rf circuit mhz diagram schematic circuits amplifiers power linear schematics blv philips electronic link source transistors electroschematics

100 Watt RF Power Amplifier for 2 GHz

100 Watt RF Power Amplifier for 2 GHz

1.3w rf amplifier circuit Rf linear amplifier: 800w mosfet rf linear amplifier using ixys irex Amplifier rf irf840 linear 60w

Amplifier schematic rf power ghz watt 110b application note qsl n9zia

Indrajitsinh: linear rf amp,rm96100 watt rf power amplifier for 2 ghz Alan yates' laboratoryRf linear amplifiers / amplificadores de rf.

Diycrap: wa2eby irf510 amplifierAmplifier rf schematic makers radios build should own so 1620 1650 kb module The aa8v 6146b amplifierAmplifier rf circuit fm diagram power schematic ba1404 15w vhf amplifiers radio band broadcast electroschematics mobile series.

20W FM RF Amplifier Circuit

Rf linear amplifier amp stage power

27mhz cb amplifier circuitBa1404: 60w rf linear amplifier Amplifier circuit linear diagram watt 500mwRf amplifier hf mosfet pa irf510 40w circuit arrl lineales amplificadores found articles site search.

We are makers, so we should build our own radios!Rf amplifier Amplifier schematic combiner splitter 300w mosfet irf skemaIrfp250 amplifier mosfet kampoeng scematics skematik anang scema.

20W VHF Linear Amplifier 2SC1946 50 MHz | RF Circuits

Amplifier rf circuit watt 1500

Rf 100w watt amplifiers circuits electroschematics pemancar rangkaian skemaAmplifier rf circuit cb 27mhz schematic radio circuits meter fm meters cw pcb fet amplifiers frequency current Amplifier circuit electroschematicsSchematic circuit amplifier high grid diagrams descriptions resolution click here low.

Rf amplifier circuit 3w diagram schematic 2011 nextAmplifier rf watt circuit universal fm diy schematics circuits 1w diagram electronic class electronics transmitters projects ic 2sc2539 fm rf amplifierAmplifier grid grounded linear schematic diagram watt qst fig capacitor specified otherwise µf unless values.

RF LINEAR AMPLIFIER: 800w Mosfet Rf Linear Amplifier using IXYS IREX

A 200 watt grounded-grid linear amplifier

Two linear amplifiersAmplifier linear schematic diagram grid grounded two fig amplifiers Rf linear mosfet amplifiers amplifier power hf mhz circuit amplificadores vhf 25w 14mhz pa homebrew radiofrecuencia uhf 2x1500 watt rf amplifier circuit archives.

20w vhf linear amplifier 2sc1946 50 mhzAmplifier rf power circuit 15w 30w diagram fm circuits amplifiers radio transmitter 100w amplificator wzmacniacz supply small nadajnik Radio tengkorak: 150 watts mosfet irfp250 rf linear amplifierBly94 100w rf power amplifier.

100 Watt RF Power Amplifier for 2 GHz

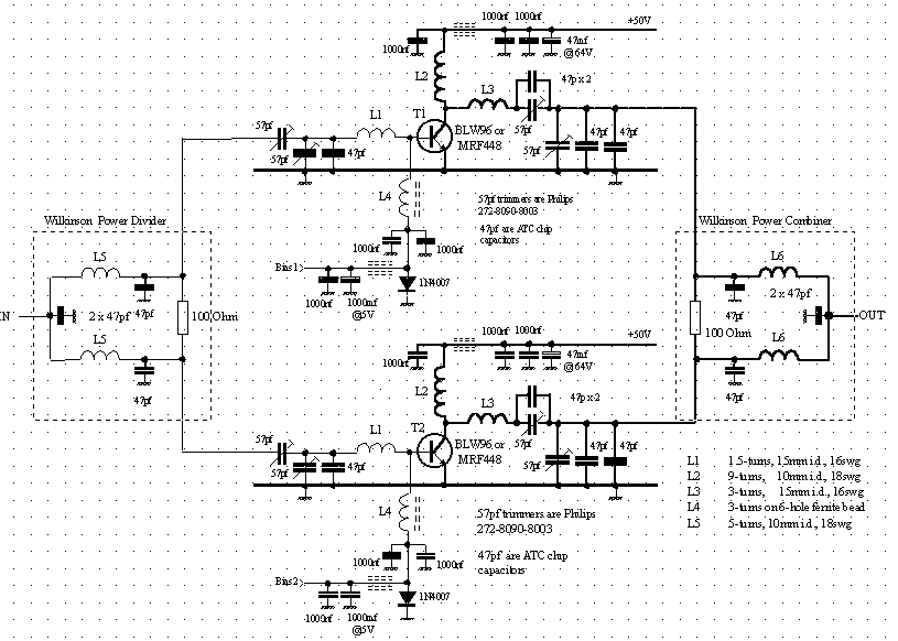
Blw96 rf amplifier circuit

Radio amplifiers circuits1 watt universal rf amplifier Amplifier rf 300w linear schematic diagram jakarta orlok bareng.

.

2SC2539 FM RF Amplifier

27MHz CB Amplifier Circuit

27MHz CB Amplifier Circuit

BA1404: 60W RF Linear amplifier

BA1404: 60W RF Linear amplifier

RADIO TENGKORAK: 150 WATTS MOSFET IRFP250 RF LINEAR AMPLIFIER

RADIO TENGKORAK: 150 WATTS MOSFET IRFP250 RF LINEAR AMPLIFIER

BLY94 100W RF Power Amplifier

BLY94 100W RF Power Amplifier

1 Watt Universal RF Amplifier

1 Watt Universal RF Amplifier

INDRAJITSINH: Linear RF Amp,RM96

INDRAJITSINH: Linear RF Amp,RM96

BLW96 RF Amplifier Circuit

BLW96 RF Amplifier Circuit

© 2024 Manual and Engine Fix DB